欢迎访问 青岛开云官方网页版官网机械股份有限公司官网        
      

当前位置:网站首页 > 喷气织机

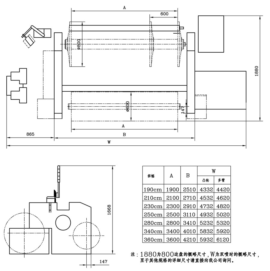
HZ860系列喷气织机

HZ860系列喷气织机

主要特点:

1.HZ860型喷气织机,设计结构紧凑,方便用户操作。
2.打纬机构采用偏心打纬轴结构,打纬力大,振动小,适应高速织造,对高织高密织物也有良好的适应性。
3.副喷采用一拖二结构,减少喷嘴喷射时间,通过对喷嘴的喷射时间的精确控制,进一步降低耗气量。
4.窄幅织机采用4连杆打纬,适应高速织造;宽幅织机采用6连杆打纬,增加引纬时间,使纬纱在低压条件下加速,而不会拉断纬纱,从而实现稳定织造。
5.采用电子送经,电子卷取,具有自动寻纬、消除停车档功能及变纬密织造等功能。
6.开口形式,可选配曲柄开口,下置式凸轮和下置式多臂以及提花开口。

电子送经装置

通过张力传感器检测经纱总张力,由CPU处理由于开口或松经、送经、经轴的卷径变化引起的经纱张力变化,指令伺服电机传动经轴,从而在工作过程中保持均衡化的张力,消除了开车秘密档,保证织物均衡平整。采用刚性的机架、大直径的经轴齿轮和内装油浴式积极松经传动轴等,使织机更进一步实现了高速化、可以更加灵敏的适应高密织物的织造要求。

卷曲装置

采用机械式连续卷取和电子卷取两种形式。结合电子送经通过准确的正反转对防止停车挡很有效。

双探头探纬器

探纬器采用双探头方式,除了探知通常的短纬或弯纬外,还可以探知纬纱被吹短或长纬的现象,从而保证万无一失。

项目
Item

标准规格
Standard specifications

选择件
Option

筘幅
Reed space

公称筘幅(cm)
Nominal(cm)

150, 170, 190, 210, 230, 250, 280,340,360

 

有效穿幅(cm)
Useful reeding width (cm)

公称筘幅减:0~-60cm (<250cm)
Maximum reduction

0~80cm
Maximum reduction:80cm(<250cm)

0~-80cm(>280cm)

 

织造范围
Weaving scope

短纤
Staple

Ne100-Ne2.55

 

长丝
Filament

20d-1350d

 

纬纱选择
Weft selection

 

双喷,4喷,6喷
Double spray, 4spray, 6spray

8喷
8 spray

动力
Power

 

超启动马达,马达驱动直接启动
Super start motor, motor drive directly

直驱电动机
Direct-drive motor

马达定额(KW)
The motor rating(KW)

1.8、2.2、2.8、3.0、3.7、5.5KW(大提花开口)
1.8、2.2、2.8、3.0、3.7、5.5KW(jacquard shedding)

 

引纬
Weft insertion

 

主喷嘴,副喷嘴并用式,使用异形钢筘
The main nozzle, nozzle with the type, use special reed

拉伸喷嘴
Stretch nozzle 

 

辅助主喷嘴
Assist the main nozzle

流量屏幕显示
Flow screen display

引纬控制
Weft insertion control

副喷嘴分别喷接力控制
Deputy nozzle relay control

气压屏幕显示
Air pressure screen display

副喷嘴支援控制
Sub-nozzle boosting system

 

开口
Opening

 

曲柄开口:4片综框
Crank plain shedding: shaft number:4

6连杆开口
Six linkage shedding

 

积极式凸轮开口:最多8片综框
Positive cam shedding: shaft number up to 8

自动平综(积极凸轮)、综框片数可到10片
Positive cam shedding: shaft number up to 10

 

多臂开口(电子式,积极,下置):最多16片综框
Dobby shedding(electronic, floor-mounted)shaft number up to 16

 

 

大提花开口
Jacquard shedding

布边商标提花
Fabric label logo jacquard

送经
Let-off

 

电子送经
Electronic let off

左右双经轴、上下双经轴
Left and right double beam, upper and lower double beam

边盘直径(mm)
Variable disc diameter(mm)

800,914,1000

 

卷取
Take-up

 

电子卷取,纬密自动变换功能
Electronic take-up with automatic conversion of density

 

最大卷布直径(mm)
The largest cloth diameter(mm)

600mm(凸轮开口、多臂开口、大提花开口),520mm(曲柄开口)
600mm(cam, dobby, jacquard shedding),520mm(crank shedding)

机外大卷装
Outside the machine Take-up

纬密范围
Weft density range

MTU: 6.6-80.5根/cm(16.7-204.4根/英寸)
MTU: 6.6-80.5 picks/cm(16.7-204.4picks/inch)

MTU:疏密度2.1-25.7根/cm(5.4-65.4根/英寸)
2.1-25.7picks/cm(5.4-65.4picks/inch)

ETU: 9.8-118.1 根/cm(25-300根/英寸)
ETU:9.8-118.1 picks/cm(25-300picks/inch)

ETU:疏密度5.9-118.1根/cm(15-300根/英寸)
5.9-118.1picks/cm(15-300picks/inch)

织布长库计数
Weaving length counting

在键盘显示器上显示,带定尺停车功能
Displayed on the keyboard display,with the function of scale parking

 

打纬
Beating-up

 

曲柄式多筘座脚打纬机构
Crank type sley feet more beating-up mechanism

 

 

4节连杆打纬
Section four linkage beating-up

 

 

6节连杆打纬(筘幅250cm以上)
6-Section linkage beating-up (Reed width more than 250cm)

共轭凸轮打纬
Conjugate Cam Beating

测长储纬
Length measuring weft

 

电控鼓筒储纬
Electric drum weft

 

绞边
Wring side

 

行星齿轮式
Planetary gear type

 

剪纬
Cut the weft

 

机械式剪刀
Mechanical scissors

电子式剪刀
Electronic scissors

边撑
Temple

 

上置式边撑
Top side Temple

全幅式边撑
Full Selvage Temple
可调式织口条
Adjustable Weaving Strips

停车装置
Stop device

纬停
Weft stop

反射式控纬器
Reflex ground weft detector

 

经停
Warp yarn

6列停经架
Six columns dropper

断经分区显示,左右分别显示功能
Warp Stop display, Left and right display functions

其它
Other

绞边、纱端处理纱断头停车
Wring side parking broken ends,yarn end processing

 

故障显示
Fault display

操作屏显示
Operating screen

 

4色指示灯显示
4 color indicator light disply

 

加油
Lubrication

 

主传动部分油浴方式,集中加手(黄油手动
Oil bath system for main driving parts,centralized lubrication(manual grease)

集中加油(黄油自动)
Centralized lubrication(automaeic grease)

自动化
Automation

 

计算机控制系统
The computer control system

 

 

监控、自我诊断功能
Monitoring and self-diagnosis function

 

 

 

自动抽纬纱
automatic weft supply motion

规格尺寸如有变化,恕不另行通知

开云官方网页版官网日佳